
图片来源于网络,如有侵权,请联系删除
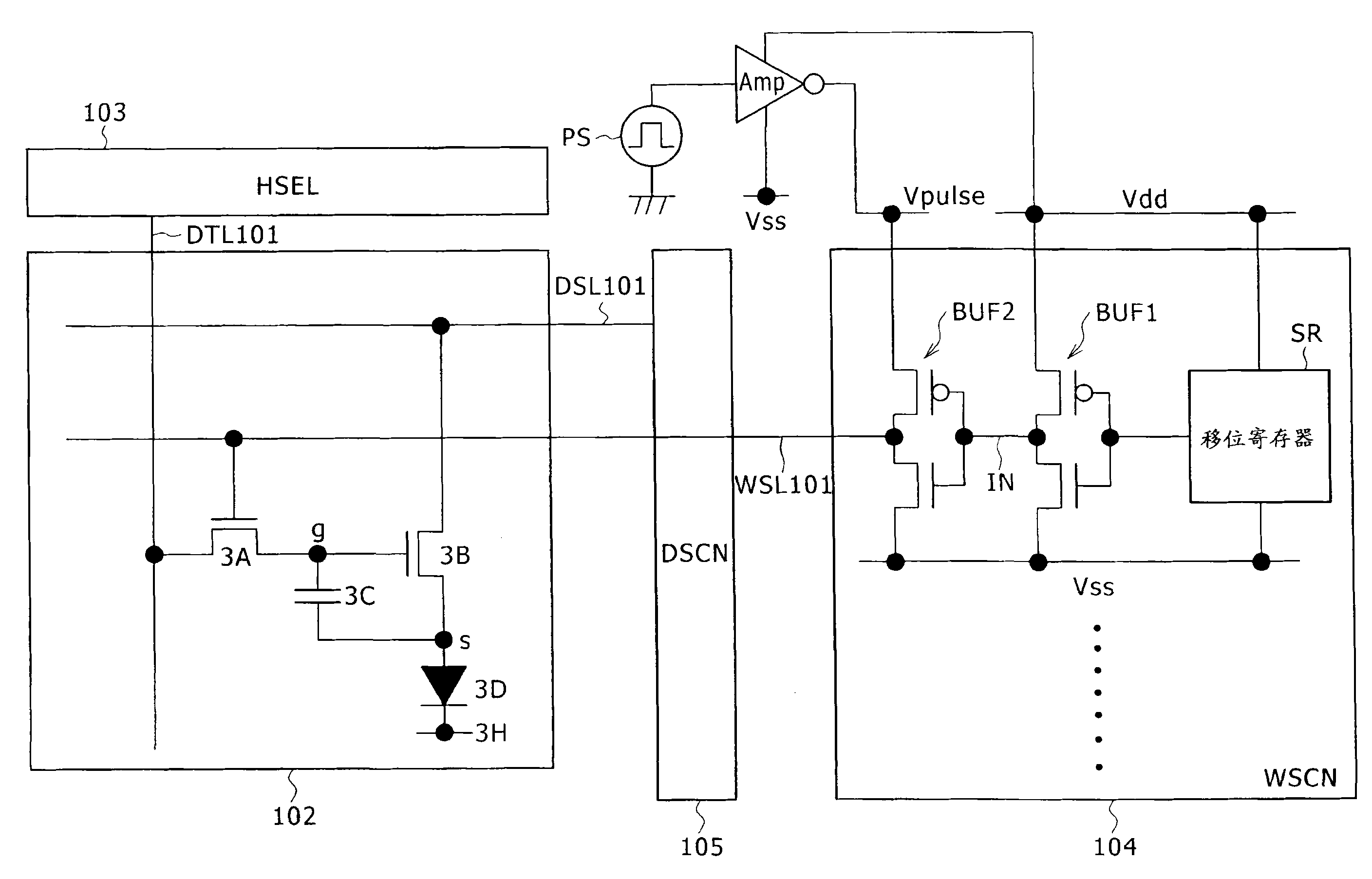
证券之星消息,根据企查查数据显示京东方A(000725)公布了一项国际专利申请,专利名为“移位寄存器单元、驱动方法、栅极驱动电路及显示装置”,专利申请号为PCT/CN2024/086816,国际公布日为2025年10月16日。
专利详情如下:
图片来源:世界知识产权组织(WIPO)
今年以来京东方A已公布的国际专利申请841个,较去年同期增加了9.65%。结合公司2025年中报财务数据,今年上半年公司在研发方面投入了60.46亿元,同比增4.13%。
数据来源:企查查
以上内容为证券之星据公开信息整理,由AI算法生成(网信算备310104345710301240019号),不构成投资建议。





